欢迎访问天开电力科技(沈阳)集团有限公司网站
024-62767777

产品PRODUCTS

诚信为客户提供安全、节能、智能、可靠的用电环境
HGL负荷隔离开关

HGL负荷隔离开关

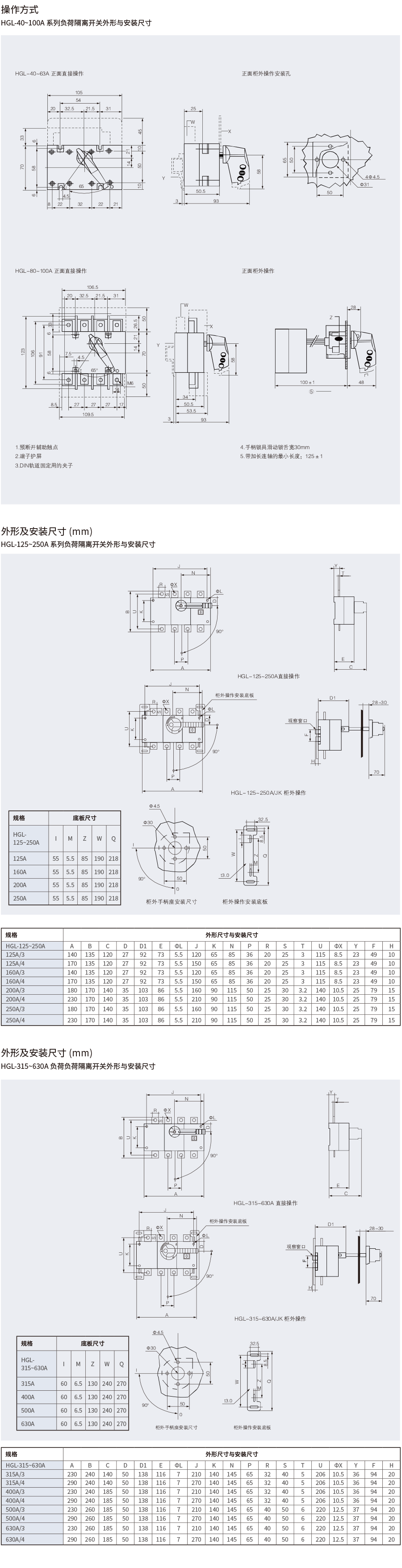
HGL系列负荷隔离开关从63~4000A分18个规格是模块化设计基础型,具有三极,四极(三极+可通断中性极),适用于电路和接通与分断或电气隔离,1000A以上只做电气隔离。交流50赫兹,额定电压至1000V,直流额定电压至440V,额定电流至4000A。用于不频繁接通与分断电路。正面设有标记窗口指示触头通断状态。
根据需要可提供后面观察窗口,直接观察触头通断状态,窗口样式见
HGL-125~4000A/H柜后操作负荷隔离开关。
产品符合国家标准GB/T.14048.3-2008《低压开关设备和控制设备低压开关、隔离器、隔离开关及熔断器组合电器》要求。

Copyright © 天开电力科技(沈阳)集团有限公司   辽ICP备2021009793号    网站建设:鼎岳传媒